喷式空气冷却器
表面冷却器只会让空气加热、潮湿、变冷,但无法进行空气的加热处理和净化。喷泉式表面冷却器同时具备喷泉室和冷却器双重作用,弥补了一般冷却器的不足,其基本结构如图4-10所示。在表冷却器前设置喷嘴,向表冷却器外表面喷出水形成膜,空气通过与水膜进行热交换来达成加湿器净化的目的。
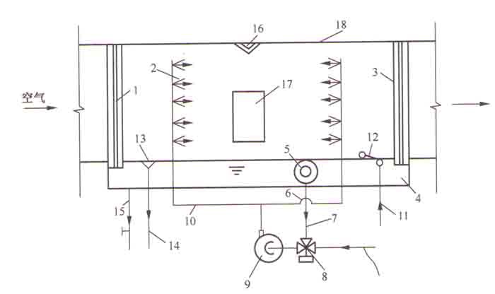
喷泉室可以进行多种空气处理,并具有空气净化能力。它的特点是金属的使用量较低,而且水质卫生要求也很高。水系统的构造很复杂,所以必须有一定的面积。另外,也被称为“泼水室”。由喷嘴、喷嘴的排管、防水板、底池、管线系统和喷水池的外部装饰等构成。在图4-11中示出。

图4-10 喷水式表面冷却器

1—前挡水板;2—喷嘴与排管;3—后挡水板;4—底池;5—冷水管;6—滤水器;7—循环水管;
8—三通混合阀;9—水泵;10—供水管;11—补水管;12—浮球阀;13—溢水器;14—溢水管;
15—泄水管;16—防水灯;17—检查门;18—外壳
图4-11 单级喷水室